H76X/H(DDCV)、H46X/H蝶式消聲止回閥
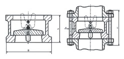
對夾式止回閥由閥體、閥瓣、閥軸、彈簧等組成,水平或垂直安裝于管路系統,防止介質倒流。它具有結構短、體積小、重量輕;閥瓣關閉快速,防水錘;動作靈敏,密封性能好等特點。
產品概要
主要由閥體、閥瓣及彈簧等結構組成,由于閥瓣的關閉行短及彈簧作用可加強關閉效果,可減少水錘和水擊聲。
1: 主要外觀尺寸:DN40-1200
2: 公稱壓力:PN1.0-4.0
3: 主要零件材質:不銹鋼、碳素鋼、黃銅、鉻鉬鋼
4: 適用介質:水/油、水(蒸汽)、酸堿性介質
5: 工作溫度:硬密封≤80℃ 軟密封≤200℃
6: 設計與應用標準:GB、BS、ANSI、JIS、DIN、API
用途及特點
該產品由閥體、閥瓣、閥桿及彈簧等零件組成,采用對夾式連接,結構緊湊。由于閥瓣的關閉行程短,并有彈簧加載,關閉速度快,可顯著減少水錘現象。產品具有體積小、重量輕、動作靈敏、密封可靠、安裝方便等特點,可水平安裝或垂直安裝,可適用于水、蒸氣、油品、硝酸、醋酸、強氧化性介質等多種介質。
主要性能規范

執行標準
設計制造:JB/T8937 API6D
結構長度:JB/T8937 API6D
配管法蘭:JB/T74 ANSI B16.5
試驗與檢驗:JB/T9092-1999 API598
主要連接尺寸


相關新聞
|
||||||||||||||||||||||||
![]() |
||||||||||||||||||||||||
| ||||||||||||||||||||||||









