大口徑偏心半球閥
大口徑偏心半球閥廣泛應用于石油、化工、冶金、電力、供水等低、中壓管路中,主要作為切斷閥使用。其中該產品又可分為上裝式偏心半球閥(頂裝式偏心半球閥)和側裝式偏心半球閥,該產品按用途分為:通用閥、管線閥、料漿專用閥、燃氣專用閥、石油化工專用閥、煤粉噴吹專用閥六大系列。傳動方式有手動、氣動、電動三種,八個壓力等級(PN0.25~10.0Mpa)數百個規格(40~1000)的半球閥產品。在石油、化工、冶金、電力、燃氣等行業是閘閥、截止閥、Y型閥、球閥的更新換代產品。目前已暢銷在鋼鐵行業的煤粉噴吹,氧化鋁行業的礦漿、母液和氧化鋁粉輸送,電力行業的水力(或干)除灰,石化行業,燃氣行業等場合。
大口徑偏心半球閥產品概述
大口徑偏心半球閥廣泛應用于石油、化工、冶金、電力、供水等低、中壓管路中,主要作為切斷閥使用。其中該產品又可分為上裝式偏心半球閥(頂裝式偏心半球閥)和側裝式偏心半球閥,該產品按用途分為:通用閥、管線閥、料漿專用閥、燃氣專用閥、石油化工專用閥、煤粉噴吹專用閥六大系列。傳動方式有手動、氣動、電動三種,八個壓力等級(PN0.25~10.0Mpa)數百個規格(40~1000)的半球閥產品。在石油、化工、冶金、電力、燃氣等行業是閘閥、截止閥、Y型閥、球閥的更新換代產品。目前已暢銷在鋼鐵行業的煤粉噴吹,氧化鋁行業的礦漿、母液和氧化鋁粉輸送,電力行業的水力(或干)除灰,石化行業,燃氣行業等場合。

大口徑偏心半球閥產品特點
1.采用全通徑結構,閥芯為半球形,流通面積大,流阻極低,節能效果明顯。同時密封面不被直接沖刷,使用壽命長。
2.上裝式結構,可在線維修。在一些特定的工作場合,在進行搶修期間可以不影響管道系統的正常運行,使搶修閥門造成的效益損失降低到最小程度。
3.開啟時球冠具有與閥體密封面漸近功能,能有效切除結垢與雜物,實現可靠密封。
4.雙偏心結構,開關無磨損。開啟時球冠快速脫離閥體密封面,摩擦距離短,關閉時球冠迅速進入閥體密封面,越關越緊,磨損少。
5.長期使用,密封副磨損后,閥座可以調節,使之重新達到良好的密封。
產品用途
應用于石油、化工、冶金、電力、供水等低、中壓管路中,主要作為切斷閥使用。
技術參數
公稱通徑:DN200-DN2200
2.公稱壓力:1.0MPa-4.0MPa 3.介質溫度:0℃~120℃
3.適用介質:清水、原水、海水、污水、弱酸弱堿等液體、漿液、含微小固體顆粒液體等
4.結構形式:上裝式
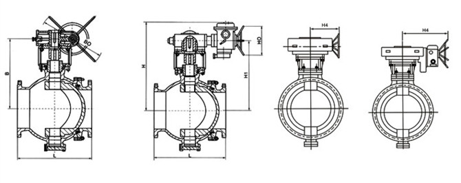
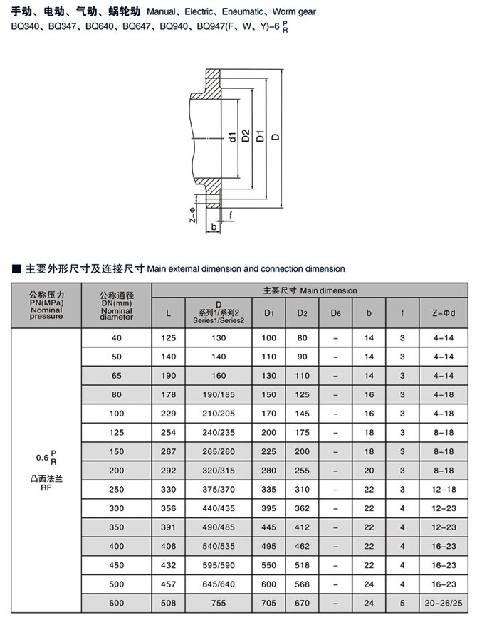
結構尺寸

上裝式偏心半球閥 側裝式偏心半球閥


溫馨提示: 本文中所有文字、數據、圖片均只適用于參考。需要查看更多的側裝偏心半球閥性能參數、結構尺寸參數、價格等詳情,或要求高質量印刷樣本,請聯系我們。
|
||||||||||||||||||||||||
![]() |
||||||||||||||||||||||||
| ||||||||||||||||||||||||










