氣動方球閥
氣動方球閥/消防球閥主要用于輸送水、泡沫混合液及其他液體滅火劑,介質溫度為-40℃~+70℃范圍內。主要安裝在消防滅火的各種管路上(如:消防車、消防管路供水系統等)。
產品概述
氣動方球閥/消防球閥主要用于輸送水、泡沫混合液及其他液體滅火劑,介質溫度為-40℃~+70℃范圍內。主要安裝在消防滅火的各種管路上(如:消防車、消防管路供水系統等)。
產品執行標準:ga 79-94
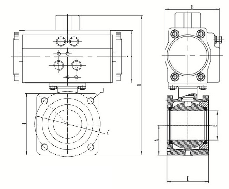
氣動方球閥主要用鑄鐵、不銹鋼、聚四氟乙烯等加工而成。主要結構及連接尺寸如下圖及表

| 口徑 | A | B | C | D | E | F | G | H | J | K | H1 | L |
| DN40 | 41.5 | 40 | 103 | 240 | 90 | 85 | 96 | 83 | 4-M8 | 193 | 208 | 162 |
| DN50 | 52 | 47 | 103 | 243 | 79 | 108 | 96 | 100 | 4-M10 | 193 | 208 | 162 |
| DN65 | 65 | 60 | 116 | 300 | 85 | 138 | 109 | 128 | 4-M12 | 220 | 236 | 162 |
| DN80 | 70 | 70 | 128 | 310 | 105 | 160 | 113 | 140 | 4-M12 | 220 | 275 | 208 |
| DN100 | 112.5 | 88 | 128 | 254 | 123 | 180 | 113 | 220 | 8-M12 | 233 | 373 | 258 |
安裝注事事項
1、安裝前應核對蝶閥規格、壓力、溫度、耐腐性是否滿足使用要求。 應檢查各零部件是否損壞或松動。
2、本氣動方球閥可安裝在任意角度的管道上,應關閉安裝為宜;焊接管道法蘭時應將閥門密封口用板擋住以防止顆粒、雜物挫傷密封面,焊后取下閥門,對閥門密封面及管道內腔進行清潔,然后再安裝固定閥門。
3、安裝時請注意閥門關閉狀態承壓方向。
4、安裝前應將密封面(兩端密封面、蝶板密封面、閥座密封面)徹底擦干凈,去掉灰塵和污物。
5、安裝前應空試蝶閥,啟閉應靈活,啟閉位置與指針指示位置相符合。
6、手動操作順時針為關,逆時針為開,指針指示到位后不準再加力啟閉閥門。
7、閥門做壓力試驗時,不準用單法蘭進行安裝試壓,必須采用雙法蘭安裝試壓。其試驗壓力應符合GB/T13927-92標準規定。
8、緊固螺栓時應對稱交替進行緊固,不準依次單獨緊固。
9、限位螺釘出廠前,已經調好,不準輕易調整。若配置驅動裝置為電動、氣動請閱配套驅動裝置說明書。
10、氣動方球閥出廠時已將控制機構的啟閉行程調好。通電時應檢查指示盤方向與閥門開啟方向一致即可。
11、發現閥門啟閉失常應查明原因進行修理和排除,防止用加力方法開關閥門,造成閥門的損壞。
|
||||||||||||||||||||||||
![]() |
||||||||||||||||||||||||
| ||||||||||||||||||||||||










