QJ41M高溫球閥
本公司設計QJ41M高溫球閥替代截止閥是采用新型密封材料為閥座,經同類產品聚四氟乙烯做密封的球閥,使用壽命提高了3-5倍。具有性能穩定、密封可靠、磨擦力小、開關輕便、耐高溫、耐磨、耐 油、耐腐蝕、使用壽命長等優點。
產品概述
本公司設計QJ41M高溫球閥替代截止閥是采用新型密封材料為閥座,經同類產品聚四氟乙烯做密封的球閥,使用壽命提高了3-5倍。具有性能穩定、密封可靠、磨擦力小、開關輕便、耐高溫、耐磨、耐 油、耐腐蝕、使用壽命長等優點,工開牌高溫球閥與截止閥、柱塞閥、排污閥,結構長度相符,擴大了球閥使用范圍,廣泛用于石油、化工、橡膠、造紙、制 藥等行業,可替代截止閥、柱塞閥、快速排污閥。適用介質:水、蒸汽、導熱油等酸類,使用溫度:≤350℃
性能參數
QJ41M高溫球閥替代截止閥主要性能參數
| 型號 | 公稱壓力 (MPa) | 強度試驗壓力 (MPa) | 密封試驗壓 (MPa) | 適用溫度 (℃) | 適用介質 |
| Q41M/F-16C | 1.6 | 2.4 | 1.8 | -28~+300 (M/F) | 導熱油、水、蒸汽、氣體、油品、硝酸類腐蝕性介質、醋酸類腐蝕性介質 |
| Q41M/F-16C | 2.5 | 3.8 | 2.8 | -28~+350 (PPN) |
零部件材料
| 序號 | 零部件名稱 | 材料 |
| 1 | 閥體 | 球墨鑄鐵、碳素鋼、鑄不銹鋼 |
| 2 | 密封圈 | (M/F)高強度耐磨碳結石墨≤300℃ (PPN)對蒞聚苯、溫度≤350℃ |
| 3 | 球 | 不銹鋼 |
| 4 | 填料 | 聚四氟乙烯 |
| 5 | 填料壓蓋 | QT450-10球墨鑄鐵 |
| 6 | 閥桿 | 碳素鋼、鉻不銹鋼 |
| 7 | 手柄 | 碳鋼 |
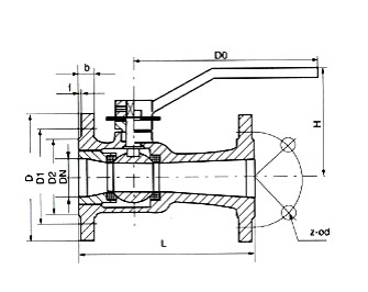
連接尺寸

| 型號 | 公稱通徑 | 尺寸mm | |||||||
| L | D | D1 | D2 | b-d | Z-Φd | H | D0 | ||
| Q41M/F-16C | 15 | 130 | 95 | 65 | 45 | 14-2 | 4-14 | 105 | 150 |
| 20 | 150 | 105 | 75 | 55 | 16-2 | 4-14 | 110 | 150 | |
| 25 | 160 | 115 | 85 | 65 | 16-2 | 4-14 | 120 | 160 | |
| 32 | 180 | 135 | 100 | 78 | 16-2 | 4-18 | 145 | 160 | |
| 40 | 200 | 145 | 110 | 85 | 16-3 | 4-18 | 155 | 250 | |
| 50 | 230 | 160 | 125 | 100 | 18-3 | 4-18 | 175 | 300 | |
| 65 | 290 | 180 | 145 | 120 | 18-3 | 4-18 | 195 | 300 | |
| 80 | 310 | 195 | 160 | 135 | 20-3 | 8-18 | 225 | 320 | |
| 100 | 350 | 215 | 180 | 155 | 20-3 | 8-18 | 255 | 320 | |
| 125 | 400 | 245 | 210 | 185 | 20-3 | 8-18 | 285 | 400 | |
| 150 | 480 | 280 | 240 | 210 | 24-3 | 8-23 | 295 | 400 | |
| 200 | 600 | 335 | 295 | 265 | 30-3 | 12-23 | 330 | 450 | |
| Q41M/F-25C | 40 | 200 | 145 | 110 | 85 | 18-3 | 4-18 | 155 | 250 |
| 50 | 230 | 160 | 125 | 100 | 20-3 | 4-18 | 175 | 300 | |
| 65 | 290 | 180 | 145 | 120 | 22-3 | 8-18 | 195 | 300 | |
| 80 | 310 | 195 | 160 | 135 | 22-3 | 8-18 | 225 | 320 | |
| 100 | 350 | 230 | 190 | 160 | 24-3 | 8-23 | 255 | 320 | |
| 125 | 400 | 270 | 220 | 188 | 28-3 | 8-25 | 285 | 400 | |
| 150 | 480 | 300 | 250 | 218 | 30-3 | 8-25 | 295 | 400 | |
| 200 | 600 | 360 | 310 | 278 | 34-3 | 12-25 | 330 | 450 | |
|
||||||||||||||||||||||||
![]() |
||||||||||||||||||||||||
| ||||||||||||||||||||||||










