Q971型電動對夾式球閥PN16~PN64
具有連線簡單,結構緊湊、尺寸小、重量輕、阻力小、動作穩定可靠等優點。執行機構可根據用戶要求另配置UNIC、PSQ、HQ、DHL等型號電子式電動執行機構或GTX、AL等氣活塞式執行機構。
產品概述
Q971型電動對夾式球閥PN16~PN64適用于兩位切斷、調節的場合。閥與執行機構的連接采用直連方式,電動執行機構內置伺服系統,無須另配伺服放大器,輸入4-20mA信號及220VAC電源即可控制運轉。具有連線簡單,結構緊湊、尺寸小、重量輕、阻力小、動作穩定可靠等優點。執行機構可根據用戶要求另配置UNIC、PSQ、HQ、DHL等型號電子式電動執行機構或GTX、AL等氣活塞式執行機構。
執行標準
1、設計與制造:GB12237-89、API608、API 6D、JPI 7S-48、BS5351、DIN3357。
2、法蘭尺寸:JB/T74~90(JB74~90)、GB9112~9131、HGJ44~76、SH3406、ANSI B16.5、JIS B2212~2214、NF E29-211、DIN2543。
3、結構長度:GB12221-89、ANSI B16.10、JIS B2002、NF E29-305、DIN3202。
4、檢驗主試驗:JB/T 9092、API 598。
技術參數
| CH系列執行機構技術參數 | 閥體參數 | |||
|---|---|---|---|---|
| 電源 | AC200/220V,50/60Hz | 公稱通徑 | DN10~150mm | |
| 輸出力矩 | 50N·M~2000N·M | 公稱壓力 | PN1.6 2.5 4.0 6.4 31.5MPa(定制) | |
| 動作范圍 | 0~90° 0~360° | 泄漏量 | 軟密封:零泄漏 | 硬密封:≤額定流量的10-5 |
| 動作時間 | 15秒/30秒/60秒 | 執行機構 | 可另配PSQ、HQ、UNIC、361RS 等系列電子式電動執行機構 | |
| 保護裝置 | 過熱保護 | 流量特性 | 快開特性 | |
| 環境溫度 | -30°~60° | 可調范圍 | DN10-80 | DN100-150 |
| 250:1 | 350:1 | |||
| 手動操作 | 同附帶手柄操作 | 基本誤差 | ±1% | |
| 限位 | 電氣、機械二重限位 | 死區 | ≤1% | |
| 防護等級 | 相當于IP-65 | 回差 | ≤1% | |
| 位置測量 | 可選裝開關或電位計 | 適用溫度 | 密封面 | |
| 驅動電機 | 8W/E | PTFE≤150℃ RTFE≤180℃ PPL≤300℃ 硬密封≤450℃ | ||
| 進線接口 | PE1/2〞進線線鎖 | |||
性能
| 試驗壓力 | 公稱壓力(Mpa) | 壓力級(class) | JIS(Mpa) | |||||||
|---|---|---|---|---|---|---|---|---|---|---|
| 1.6 | 2.5 | 4.0 | 6.4 | 10.0 | 150 | 300 | 600 | 10K | 20K | |
| 強度試驗 | 2.4 | 3.8 | 6.0 | 9.6 | 15.0 | 3.1 | 7.8 | 15.3 | 2.4 | 3.8 |
| 密封試驗 | 1.8 | 2.8 | 4.4 | 7.0 | 11.0 | 2.2 | 5.6 | 11.2 | 1.5 | 2.8 |
| 氣密試驗 | 0.5~0.7 | |||||||||
零件材質
| 零件名稱 | 材 料 | ||||||
|---|---|---|---|---|---|---|---|
| 閥體 | WCB | ZG1Cr18Ni9Ti | CF8 (304) | CF3 (304L) | ZG1Cr18Ni12Mo2Ti | CF8M(316) | CF3M (316L) |
| 球體、閥桿 | 2Cr13 | 1Cr18Ni9Ti | 0Cr19Ni9 (304) | 00Cr19Ni11 (304L) | 1Cr18Ni12Mo2Ti | 0Cr17Ni12Mo2 (316) | 00Cr17Ni12Mo2 (316L) |
| 密封圈 | 聚四氟乙烯(PTFE)、增強聚四氟乙烯(PPL)、對位聚苯 柔性石墨 | ||||||
| 適用介質 | 水、氣體、蒸汽、油品等 | 硝酸等腐蝕性介質 | 強氧化性介質 | 醋酸等腐蝕介質 | 尿素等腐蝕性介質 | ||
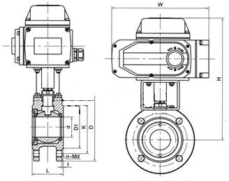
外形結構尺寸
| 公稱通徑 DN(mm) | 尺 寸(mm) | ||||||||
|---|---|---|---|---|---|---|---|---|---|
| L | D | D1 | D2 | d | b | Z-Md | H | L1 | |
| 15 | 35 | 95 | 65 | 45 | 15 | 14 | 4-M12 | 291 | 155.2 |
| 20 | 38 | 105 | 75 | 55 | 19 | 14 | 4-M12 | 296 | 155.2 |
| 25 | 42 | 115 | 85 | 65 | 23.5 | 14 | 4-M12 | 301 | 155.2 |
| 32 | 50 | 135 | 100 | 78 | 30 | 16 | 4-M16 | 311 | 195 |
| 40 | 60 | 145 | 110 | 85 | 36 | 16 | 4-M16 | 318 | 195 |
| 50 | 70 | 160 | 125 | 100 | 45 | 16 | 4-M16 | 326 | 234 |
| 65 | 95 | 180 | 145 | 120 | 58 | 18 | 4-M16 | 336 | 234 |
| 80 | 118 | 195 | 160 | 135 | 67 | 20 | 8-M16 | 363 | 271 |
| 100 | 140 | 215 | 180 | 155 | 76 | 20 | 8-M16 | 383 | 325 |
| 125 | 175 | 245 | 210 | 185 | 100 | 22 | 8-M16 | 403 | 414 |
| 150 | 210 | 280 | 240 | 210 | 125 | 24 | 8-M16 | 418 | 420 |
尺寸圖

安裝注意事項
1.安裝施工必須小心,切忌撞擊閥門。
2.安裝前,應將球閥作一檢查,核對規格型號,鑒定有無損壞,尤其對于閥桿。還要轉動幾下,看是否歪斜,因為運輸過程中,最易撞歪閥桿。還要清除閥內的雜物。
3.球閥起吊時,繩子不要系在手輪或閥桿上,以免損壞這些部件,應該系在閥體上。
4.對于球閥所連接的管路,一定要清掃干凈。可用壓縮空氣吹去氧化鐵屑、泥砂、焊渣和其他雜物。這些雜物,不但容易擦傷球閥的密封面,其中大顆粒雜物(如焊渣),還能堵死小閥門,使其失效。
5.安裝時要留有閥柄旋轉的位置。6.球閥不能用作節流。 7.帶傳動機構的球閥應直立安裝。
|
||||||||||||||||||||||||
![]() |
||||||||||||||||||||||||
| ||||||||||||||||||||||||










